Физиология, как наука о жизнедеятельности организмов, их отдельных систем, органов и тканей, изучает закономерности взаимодействия с окружающей средой, а также особенности регуляции физиологических функций. Частная физиология рассматривает свойства отдельных специализированных тканей и органов, механизмы их объединения в функциональные системы. Нормальная физиология исследует закономерности работы здорового организма (органа) в его взаимодействии со средой, механизмы устойчивости и адаптации. Физиология зуба, в свою очередь, характеризуется обменом веществ, выполняемыми функциями и обеспечивающими их механизмами.
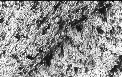
Наиболее важная, ведущая функция зуба – жевательная. Способность откусывать, измельчать, растирать пищу собственно и характеризует назначение твердых тканей – эмали и дентина. Элементы структуры эмали представлены кристаллами, плотно упакованными в эмалевые призмы, которые в свою очередь составляют пучки, изгибающиеся вдоль длинной оси, что придает особую механическую устойчивость эмали (рис. 1). Дентин, имеющий в своем составе значительное количество органики (до 20%), менее хрупкий, чем эмаль, и поэтому служит своеобразным амортизатором. Более того, истирание эмали в процессе жизнедеятельности компенсируется уплотнением дентина (рис. 2).

Рис. 1. Шлиф зуба. СЭМ. Ув. 2000. Поперечное и продольное расположение эмалевых призм. Магистральная пора в глубоких слоях эмали
Рис. 2. Стертость эмали нижних зубов компенсируется повышением минерализации дентина
Описать функцию жевания можно конкретными параметрами. В первую очередь, это микротвердость. Самая высокая (до 4 000 МПа) отмечается в поверхностном слое эмали, ниже (≈3 000 МПа) – к эмалево-дентинному соединению. В дентине наиболее высок показатель микротвердости средней зоны (750 МПа), ниже – в околопульпарной (500 МПа).
Устойчивость зуба к истиранию оценивают микрошероховатостью после воздействия абразивными агентами. С этой целью используют зубные щетки и зубные пасты. Микрошероховатость интактной эмали может колебаться от 5 мкм до 15—20 мкм.
Устойчивость твердых тканей на излом, изгиб, скол, модуль упругости также характеризуют функцию жевания. Косвенным показателем механической устойчивости является уровень минерализованности эмали.
Специфическими для зуба защитными механизмами является устойчивость к действию физических и химических факторов. Резистентность к повреждению механическими агентами характеризует жевательную функцию зуба, которая обеспечивается прочностью структур эмали и дентина. Сопротивляемость к действию кислот – вот вторая сторона специфической защиты эмали: кислотное разрушение лежит в основе кариеса, эрозий, некроза эмали и дентина. Устойчивость к действию кислот можно объяснить опять-таки составом и строением эмали.
Защитные свойства поверхности зуба представлены несколькими механизмами. Пелликула, которая имеет в своем составе белково-углеводный комплекс, минеральные вещества и микроэлементы, снижает скорость деминерализации. Высокая минерализация поверхностного слоя эмали оказывает нейтрализующее действие на кислоты зубной бляшки. Защитным свойством обладает сам кристалл, где структура сохраняется при широком диапазоне значения Ca/P коэффициента (от 1,5 до 2,0). Повышают устойчивость к H+-ионам кристаллы фторапатита. Более того, защитные свойства поверхностного слоя нельзя рассматривать как простую сумму качеств пелликулы и кристаллов эмали. Образуя из своих структур природный композит, органические и минеральные компоненты приобретают новые свойства, в первую очередь это – кислотная резистентность внешних зон зуба. При этом основными путями кислотной атаки являются микропоры, имеющиеся на поверхности эмали. Они определяют локализацию очага деминерализации при начальном кариесе. Через интактную поверхность по микропорам ионы водорода проникают в подповерхностную область, где производят свое разрушающее действие на призмы, растворяя кристаллы апатита.
Сам факт локализации очага деминерализации в подповерхностной зоне в определенном смысле можно рассматривать как своеобразный защитный механизм, сохраняющий целостность наружного слоя эмали (рис. 3).

Рис. 3. Шлиф эмали зуба. ОМ. Ув. 1200. Очаг деминерализации локализуется в подповерхностном слое
Поскольку способности эмали сопротивляться действию кислот придается решающее значение, предложены способы оценки степени ее растворимости.
CRT-тест (color, reaction, time) основан на способности кислоты нейтрализоваться, растворяя эмаль зуба. Средние параметры CRT-теста колеблются от 30 секунд до 2 минут.
Метод химической биопсии заключается в дозированном воздействии кислоты на ограниченной поверхности зуба с последующей количественной оценкой содержания в биоптатах кальция, фосфора. Установлено, что растворимость эмали по Са колеблется от 4,1 до 4,7мкг/мин, по Р – от 1,64 до 2,18 мкг/мин. Молекулярный Са/Р коэффициент биоптата находится в пределах 1,72—2,67.
Тест резистентности эмали (ТЭР) основан на регистрации убыли твердых тканей зуба после дозированного кислотного воздействия. Одна из модификаций ТЭР включает измерение микрошероховатости поверхности эмали с помощью прибора профилометр-профилограф. Упрощенная модификация ТЭР оценивает степень шероховатости эмали по интенсивности окрашивания участка травления (рис. 4).
Рис. 4. Схема определения кислотоустойчивости при помощи теста резистентности эмали (ТЭР)
Защитные механизмы пульпы и твердых тканей зуба неразрывно связаны и весьма многообразны. Остановимся на наиболее специфичных для зуба.
Один из путей защиты зуба от ротовой среды при обнажении дентина (в результате истирания, стирания, оголения шейки, кариеса, препарирования) — повышение минерализации тонкого слоя поверхности. Процесс (заметный уже через 2 недели) может осуществляться с участием дентинной жидкости, субстанций слюны, фтора и, возможно, бактерий, которые участвуют в кальцификации и поверхностной минерализации.
Склерозирование дентина означает повышенную минерализацию и облитерацию многих трубочек между открытой поверхностью и пульпой. Образование склерозированного дентина происходит благодаря функционированию клеток пульпы – одонтобластов.
Иррегулярный вторичный – заместительный дентин толщиной до 0,5мм может формироваться в течение 2—3 месяцев со стороны пульпы. В данной области трубочки чаще закрыты и проницаемость существенно снижена. Иррегулярный дентин служит надежной защитой, блокируя отверстия большинства дентинных канальцев (рис. 5).

Рис. 5. Срез декальцинированного зуба. ОМ. Ув. 300. Первичный и заместительный дентин. Клетки одонтобластов расположены по периферии пульпы
Пульпа имеет более высокую резистентность к инфекции и способность создавать барьер – заместительный дентин – в процессе медленного обнажения дентина, как это бывает при стирании или истирании. Пример инфекционного начала развития иррегулярного дентина – кариес. При медленно развивающемся кариозном поражении продуцируется слой иррегулярного дентина, достаточный для формирования эффективного барьера.
Трофическая функция обеспечивает обмен веществ в зубе. Основные процессы в эмали заключаются в минерализации, де- и реминерализации, а также медленном обмене органических компонентов. Наиболее активно в обменных процессах участвуют кальций и фосфор, микроэлементы. Основное поступление их в эмаль происходит из ротовой жидкости. Установлена тесная связь обмена веществ в эмали и дентине. Дентинная жидкость в редуцированном составе проникает в эмаль благодаря наличию пористости (см. рис. 1).
Сущность обмена в эмали рассматривается как биологический процесс в высокоспециализированной ткани, которая является полупроницаемой мембраной между дентином и слюной, избирательно пропускающей ионы – «молекулярное сито». Некоторые ионы свободно диффундируют через нее, для других она выступает как барьер. Причем селективность эмали является функцией преимущественно поверхностного слоя, покрытого органической пленкой – пелликулой.
В кристаллах происходит ионный обмен. Изоионный – это замещение на ионы, содержащиеся в норме в кристаллах апатита. Гетероионный – замещение на ионы, которых в норме в кристалле нет.
Скорость обмена в эмали зависит от количества связанной с кристаллом воды, объема микропространств, эмалевого ликвора. Последний может занимать до 6% объема ткани. Зрелая эмаль характеризуется медленным обменом веществ. Молодая, незрелая эмаль, наоборот, отличается активными процессами.
Механизм обмена веществ в эмали – проницаемость – способность элементов перемещаться в тканях благодаря наличию системы микропор, заполненных зубным ликвором. Такие ферменты как щелочная фосфатаза (ЩФ) и кислая фосфатаза (КФ) способствуют расщеплению и формированию кристаллов.
В клинике проницаемость эмали оценивается способностью красителей проникать в микропоры. Интенсивность окрашивания характеризует степень проницаемости.
Обмен веществ в дентине. Поступление питательных веществ происходит со стороны пульпы: дентинный ликвор, двигаясь в центробежном направлении, доставляет все элементы, необходимые для жизнедеятельности дентина.
Ликвор представляет собой прозрачную жидкость, которая по своему составу более всего соответствует тканевой жидкости или транссудату. Протеины ликвора сходны с таковыми в сыворотке крови по электрофоретическому распределению и процентному соотношению. Из дентинной жидкости в свободном виде выделены 7—12 аминокислот. Имеются антитела, минеральные вещества, микроэлементы, 3% составляет белок, 69,3 мг – остаточный азот, есть также кислая фосфатаза, витамины, гормоны, другие ферменты.
Из свежеудаленного зуба методом центрифугирования получен ликвор в количестве 0,00424 мл (около 5 мг) за 24—48 часов. Изучение состава дентинной жидкости обнаружило 92 мг/л кальция, 42 мг/л фосфора, 27,7 мг/л хлоридов.
В дентинной жидкости имеются органические компоненты, необходимые для нормального функционирования живых тканей. Наличие в дентинных трубочках отростков клеток-одонтобластов, а в основном дентине – коллагена, объясняет активность и направленность биохимических процессов. Они заключаются в многочисленных биохимических реакциях и регулируются через нервные окончания, лежащие в пульпе.
Основным субстратом, обеспечивающим обменные процессы, является зубной ликвор. Считается, что 32% дентинной жидкости расположено в канальцах и 68% в основном веществе дентина. Она обеспечивает обмен веществ, более активный, чем в эмали.
Пульпа зуба сохраняет жизнеспособность дентина, снабжая кислородом и питательными веществами одонтобласты, их отростки, а также обеспечивая постоянный ток дентинной жидкости. Полноценная функция питания становится возможной благодаря богатой кровеносной сети в пододонтобластическом слое и ее многочисленным ответвлениям в зону одонтобластов. Водорастворимые продукты метаболизма, компоненты плазмы фильтруются через стенки капилляров, где внутрисосудистое давление выше, чем тканевое давление в пульпе (осмотическое).
Транспортная функция тесно связана с трофической и обеспечивается теми же механизмами и структурами. А именно наличием зубной жидкости, способной перемещаться по дентинным трубочкам и микропорам эмали.
Пластическая функция зуба осуществляется клеточными структурами пульпы. Жизнедеятельность ее в норме характеризуется медленной пролиферацией клеточных структур и волокон. При повреждении пульпы этот процесс ускоряется. Происходит быстрое образование фибробластов, которые вырабатывают новые коллагеновые волокна. Одновременно образуются эндотелиальные клетки, капиллярные сосуды, представляющие новую сеть кровоснабжения. Если в новой ткани преобладают клеточные структуры, она является грануляционной, если коллагеновые – фиброзной.
Высокодифференцированные клетки – одонтобласты – образуются на стадии развития зуба и после его прорезывания выполняют целый ряд функций, в том числе пластическую – образование вторичного, или заместительного, дентина (см. рис. 5).
Местное воздействие на зуб патогенных факторов или врачебных манипуляций, таких как быстрое стирание, кариес или эрозия, препарирование зуба стимулирует образование в полости зуба атипичного дентина, определяя механизм компенсации его локальной потери.
Нормальная чувствительность зуба характеризуется отсутствием болевых ощущений при воздействии раздражителей подпорогового уровня. Так, интактные зубы реагируют на температуру ниже 10—12оС или выше 55—65оС. Такому широкому диапазону отсутствия чувствительности способствует низкая теплопроводность твердых тканей зуба.
Механическое воздействие на интактный зуб не вызывает болевой реакции в пульпе, поскольку при чрезмерном накусывании болью отвечают нервные структуры периапикальных тканей. Только при нарушении целостности зуба механическая нагрузка вызывает ответ со стороны пульпы.
Химические раздражители (кислое, сладкое) также не вызывают болевых ощущений в интактном зубе.
Реакция зуба на раздражение электрическим током – электровозбудимость – в норме составляет 2—5 мкА, иногда порог может повышаться до 10—15 мкА.
Сенсорную функцию зуба можно объяснить двумя основными механизмами. Один из них обеспечивается рефлекторной дугой пульпы, другой – гидродинамическими процессами в твердых тканях зуба.
Пульпа реагирует на внешние раздражители благодаря наличию нервных структур. Ее чувствительная иннервация осуществляется второй и третьей ветвями тройничного нерва. Крупные нервы центральной зоны к периферии разделяются на мелкие веточки. После проникновения в субодонтобластический слой они теряют миелиновую оболочку и формируют богатую сеть, или сплетение, из безмиелиновых волокон. Эти свободные нервные окончания являются специфическими рецепторами боли. Многие из них вступают в одонтобластический слой, где они располагаются между одонтобластами или оборачиваются вокруг них, а некоторые проникают в зону предентина.
Непосредственное воздействие на пульпу сопровождается болью; в зависимости от природы раздражителя ощущения не дифференцируются.
Раздражение нервных окончаний может наступать вследствие изменения внутрипульпарного давления, связанного с вегетативной иннервацией. Термин вазомоторный (сосудодвигательный) контроль соответствует функции нервов, которые регулируют диаметр просвета сосуда и, следовательно, объем крови, скорость ее тока, интрапульпарное давление. Симпатические волокна, не имеющие миелиновой оболочки (скорость проведения нервных импульсов – 2м/с), вступают в отверстие канала в составе наружной оболочки артерий и заканчиваются «узелками» в мышечных клетках средней оболочки (мышечной стенки) артерий. Эфферентные нервные импульсы от ЦНС проникают в мышечную стенку артерии, высвобождая гормон (перинефрин), который вызывает временное сокращение мышечных клеток и сужение артерий в этой области пульпы. При сильном или длительном раздражении избыточное количество импульсов приводит к спазму сосудов – статусу длительного сокращения. В течение короткого промежутка времени происходит накопление продуктов распада, снижение рН и энергетических запасов. Наступает расслабление и вазодилятация, в результате развивается кровенакопление капилляров (гиперемия) и отек. Поскольку пульпа находится в закрытой камере, отток жидкости затруднен, происходит сдавливание нервных окончаний. В результате реагируют барорецепторы, провоцируя болевые ощущения.
Чувствительность твердых тканей можно объяснить гидродинамической теорией Bronnstram, основанной на знаниях физиологии зуба, морфологии пульпы и дентина. На поперечном срезе дентина на площади 1 мм2 определяется в среднем 30000 дентинных трубочек. Ближе к пульпе их объем составляет 80% всего дентина, по периферии – около 10%. Внутри трубочек содержится дентинный ликвор, который в свободном виде составляет 12% веса и 20% объема дентина. В дентинных канальцах располагаются отростки специфических клеток – одонтобластов. Последние занимают периферическую часть пульпы, составляя 4—8 слоев и тесно контактируя между собой короткими отростками. Длинные отростки проникают на 1/2 — 2/3 толщины дентина (см. рис. 5).
Поскольку пульпа содержит свободную тканевую жидкость с гидростатическим давлением около 30 мм рт. ст., имеется градиент давления ликвора в направлении наружу, который обусловливает медленное центробежное перемещение воды и малых молекул в интактном дентине. Реальная скорость тока ликвора в дентине — 4 мм/ч. Это медленное центробежное движение жидкости не вызывает боли.
Повышенная чувствительность интактных зубов характеризуется повышением чувствительности на термические, химические, механические раздражители. Данная реакция вызвана снижением порога болевого ощущения в силу различных причин. Среди общих – повышенная реакция нервной системы при таких заболеваниях или состояниях, как неврозы, неврастения, истерия.
Местной причиной может быть ретенция десны с оголением шейки или корня зуба. Гиперестезию в данной ситуации можно объяснить гидродинамической теорией, аналогично механизму повышенной чувствительности дентина, лишенного эмалевого покрова.
Повышенная чувствительность при обнажении дентина или истончении эмали характерна для клинического проявления эрозии, клиновидного дефекта (истирания), патологической стираемости, кариеса. Химические, термические, механические факторы способны вызвать кратковременное ощущение, если патологический процесс не сопровождается воспалением пульпы.
Гиперестезию обнаженного дентина «обеспечивает» феномен капиллярного действия (рис. 6). Теоретически ликвор в дентине посредством капиллярности может перемещаться со скоростью 2—3 мм/с. Другими словами, опустошенные трубочки способны максимально заполниться жидкостью от пульпы за 1 секунду.
Рис. 6. Поднятие столба жидкости под действием капиллярных сил (схема)
Если на поверхность обнаженного дентина направить струю воздуха, жидкость испаряется и наружные отделы дентинных трубок протяженностью около 0,1—0,3 мм запустевают. Это воздействие компенсируется капиллярной силой, и трубочки быстро заполняются ликвором из пульпы. Одонтобласты и нервные окончания, присутствующие в периферической области, засасываются в трубочки центробежным движением жидкости. Нервные волокна распрямляются, деформируются или даже разрываются. Благодаря малым размерам зуба тысячи трубочек бывают задействованы одновременно, поэтому даже незначительных перемещений жидкости в таком количестве трубочек достаточно для появления боли.
Механизмы чувствительности эмали можно представить следующим образом. Вода, содержащаяся в твердых тканях зуба, обеспечивает непрерывный (условный) столб жидкости от пульпы до поверхности эмали благодаря постоянному центробежному ее перемещению под влиянием внутрипульпарного давления. В эмали ликвор содержится в микропорах и органических субстанциях. Относительно крупные поры сопоставимы с размером призм, несколько меньше по размерам межпризменные пространства, самые малые – межкристаллические пространства (рис. 7).

Рис. 7. Шлиф эмали 11 зуба. ТЭМ. Ув. 10000. Микропоры на границе кристаллов и эмалевых призм
Непрерывность пористости доказывается возможностью полностью высушить эмаль струей воздуха с поверхности зуба, а также получить циркулирующую в зубе жидкость с ограниченного участка эмали (1 см2 ) при помощи вакуума. В технике подобное явление обозначено как динамическая и открытая пористость.
Достаточно длительное воздействие струи воздуха даже на интактную эмаль способствует извлечению из нее воды и запустению большого количества микропор. Визуально при этом определяется матовость поверхности, связанная с пересушиванием. Вода из дентинных трубочек под действием капиллярных сил устремляется в свободные микропространства эмали, увлекая за собой отростки одонтобластов. Механическое раздражение передается на рецепторы нервных окончаний, расположенных в пульпе, вызывая болевые ощущения. Именно потому, что объем жидкости в эмали невелик (не более 10%) по объему, а скорость перемещения в норме незначительна (0,1 мм/ч), чувствительность ее существенно ниже по сравнению с дентином. Чем тоньше слой эмали, тем скорее будет проявляться гиперестезия, поскольку сокращается расстояние от раздражителя до дентинной жидкости и пульпы, что характерно для пришеечной области зуба. Истончение эмали при эрозии, клиновидном дефекте способствует повышению восприимчивости к раздражающим факторам. Пористость ткани также увеличивает чувствительность, что характерно для начального кариеса и кислотного некроза, когда объем пор в эмали может возрастать до 25%.
Другие раздражители в этих условиях оказывают аналогичное действие. В собственных исследованиях это вакуум, приложенный к зубу. При разрежении воздуха до 100 кПа в капсуле с присоской, укрепляемой на зубе, болевое ощущение возникало через 15—20 минут.
Болевые ощущения в процессе препарирования зависят от глубины полости и активности кариозного процесса. Обработка интактного зуба при ортопедических вмешательствах также провоцирует болевую реакцию. В данном случае ощущение боли определяется гидродинамическим механизмом чувствительности и объясняется аналогично развитию гиперестезии при высушивании обнаженного дентина.
После пломбирования причиной повышенной чувствительности может явиться образование микропространств на дне полости между пломбой и дентином вследствие усадки композиционного материала. В образовавшееся пространство устремляется дентинная жидкость, провоцируя раздражение нервных окончаний пульпы.
Частным случаем гиперчувствительности зуба является трещина – синдром «расслаивания» зуба. Заполненная жидкостью трещина сообщается с ликвором дентинных трубочек, что способствует передаче на пульпу действия сниженной температуры или механического воздействия на зуб.
Методы исследования ликвора. Собственные исследования на удаленных зубах позволили установить, что коронковая часть зуба (без пульпы) содержит по весу 1—2% воды, способной свободно перемещаться, в данном случае, испаряясь. У ребенка в 7—8 лет вода составляет 2,02% массы коронковой части зуба, в 12—14 лет ее 1,51%, в полуретинированных зубах – 1,41%. Количество ликвора достоверно уменьшается с возрастом до 1,03% в 30—40 лет, что объясняется снижением пористости эмали и дентина. В группе старше 45 лет содержание свободной воды может несколько повышаться (1,14%) в результате появления трещин.
В основе собственного метода получения зубного ликвора in vivo лежит явление перемещения веществ под воздействием вакуума. Устройство для забора жидкости представляет собой капсулу из химически нейтрального вещества с резиновым уплотнителем на конце, обращенном к зубу (рис. 8). Другой конец подключается к вакуум-аппарату. Созданное в капсуле разрежение (порядка 0,9 кгс/см2) и резиновый уплотнитель обеспечивают герметическую фиксацию капсулы к поверхности эмали.

Рис. 8. Устройство для получения зубного ликвора
Количество зубного ликвора, выделившегося под воздействием вакуума с площади около 1см2 за 15—20 минут, составляет в среднем 1,51±0,02мг. Таким образом, зуб способен в ответ на внешнее раздражение достаточно быстро «пожертвовать» существенным для него объемом жидкости без развития в нем патологических изменений. Максимальная потеря ликвора соответствует всему объему воды, содержащейся в коронковой части зуба (5 мг).
В числе важнейших физиологических характеристик зуба следует назвать эстетическую функцию, подразумевая гармонию размеров, формы, рельефа, положения зуба в дуге, а также соразмерность (пропорциональность) зубов антропометрическим данным индивида. Не менее важную роль в эстетике играют оптические свойства тканей зуба, включающие особую гамму оттенков цвета, их насыщенность, светлоту, кроме того, опалесценцию, люминесценцию и блеск живой эмали.
Функции откусывания, разрывания и растирания пищи способствовали формированию основных групп зубов. Это резцы, клыки, моляры и премоляры, отличающиеся формой, размерами и количеством корней. На основании общих признаков зубы различают по принадлежности к правой или левой стороне, к верхней или нижней челюсти, а также к определенным функционально ориентированным группам. Признаки принадлежности к стороне зуба касаются кривизны коронок, соотношения дистального и мезиального углов коронки, наклона корней (признаки кривизны коронки, угла коронки и отклонения корня).
На основании внешних признаков зубы можно отнести к отдельным геометрическим формам: прямоугольник, треугольник, овал. На визуальное восприятие геометрической формы зуба могут оказывать влияние индивидуальные особенности зубодесневого контура. Куполообразный придесневой край напоминает по форме клин или треугольник. Возможен округлый зубодесневой край или уплощенный, почти прямолинейный десневой контур (рис. 9). Весомое эстетическое значение имеет макрорельеф вестибулярной поверхности зуба, который в сочетании с характерными цветовыми оттенками и прозрачностью эмали придает зубу естественный вид (рис. 10).

Рис. 9. Индивидуальные особенности вестибулярной поверхности центральной группы зубов
Рис. 10. Особенности макрорельефа и оптических свойств резцов
Эстетические свойства зуба, включающие цвет, блеск, флюоресценцию, опалесценцию, «живой» вид, проявляются благодаря оптическим законам. Ткани зуба способны отражать, пропускать, рассеивать свет, что и придает ему характерные визуальные черты.
Рассеивание лучей света снижает блеск эмали и цветность, повышает тем самым белизну коронки зуба, характерную для молодых людей. Внутреннее рассеивание света эмалью, кроме того, придает свойство опалесценции – внутренних переливов света и цвета. Присущая эмали светопроницаемость позволяет лучам, избирательно отражающимся от пигментов дентина и эмалево-дентинного соединения, проходить через эмаль и восприниматься глазом, как цвет зуба.
Основные оптические свойства дентина также можно охарактеризовать показателями отражения, рассеивания, пропускания света.
Цвет дентина проявляется благодаря наличию пигментов, которые обладают способностью избирательного отражения лучей определенной длины волны. В результате визуально определяются цвета, преимущественно желтых оттенков. Опаковость, непрозрачность дентина зависят от рассеивания им света и низкой светопроводимости, связанных с неоднородностью структуры и состава.
Оптические свойства зуба зависят также от особенностей строения и функционирования пульпы. Интенсивный красный цвет живой ткани играет важную роль в эстетике натурального зуба, особенно у молодых людей. Твердые ткани зуба обладают относительно высокой светопропускающей способностью, пульповая камера больших размеров, а пульпа занимает значительный объем.
Сочетание свойств эмали, дентина и пульпы характеризует оптические параметры зуба в целом. Цвет дентина можно оценить благодаря светопроницаемости эмали. Область режущего края не имеет дентина, поэтому кажется прозрачнее. Срединная часть зуба может отличаться преобладанием желтого, оранжевого, голубого или серого тонов. Пришеечный участок зуба имеет слой эмали тоньше, поэтому цвет лежащего под ней дентина выражен более четко, проявляя множество цветовых оттенков от оранжевого до коричневого.
Благодаря свойству эмали частично пропускать, а частично рассеивать свет, к цвету зуба примешивается видимость объема. Опаковость придает глубину восприятия.
Возрастные изменения оптических свойств зуба, а именно снижение белизны, повышение блеска, изменение цвета, связаны с возрастными преобразованиями структур эмали, дентина, пульпы. Для зубов старших возрастных периодов характерно уменьшение количества зубной жидкости и органического компонента эмали, а также промежутков между кристаллическими структурами, что приводит к повышению однородности. В результате ослабляется эффект рассеивания света, а соответственно, голубизна и опалесценция. Причиной возрастного потемнения тканей может стать убыль эмали. Так, желтизна зуба бывает связана с истончением прозрачных, голубоватых поверхностных слоев в процессе жизнедеятельности.
В результате функциональной нагрузки происходит образование заместительного дентина (см. рис. 5). Параллельно просветы дентинных трубочек закрываются минеральными компонентами, образуя склерозированный дентин. Цвет склерозированного и вторичного дентина желто-коричневый или прозрачно-серый.
Обмен веществ и осуществление основных функций обеспечивается благодаря специфическим механизмам, связанным с особенностями строения эмали, дентина, пульпы интактного зуба.
Современная стоматология. – 2007. – №1. – С. 50-55.
Внимание! Статья адресована врачам-специалистам. Перепечатка данной статьи или её фрагментов в Интернете без гиперссылки на первоисточник рассматривается как нарушение авторских прав.